
独自の技術が組み込まれたコンパクトで信頼性の高い制御器
小型ガスバーナーを対象としていますが、基本回路はすべて装備されております。 ダイレクト点火方式、パイロット点火方式、両方に対応。また、電磁弁への出力電圧はAC100V、DC100V、両方に対応しております。 安全チェックタイマー、不着火時の警報を装備しております。※2020年12月末販売終了
【用途】業務用湯沸器、ボイラー、食器洗浄機、オーブン、炊飯器 他
フレームセンサー SFSシリーズの特徴
- 基本回路はすべて装備
- ダイレクト点火方式 対応
- パイロット点火方式 対応
- AC100V、DC100V対応
- 安全チェックタイマー
- 不着火時の警報
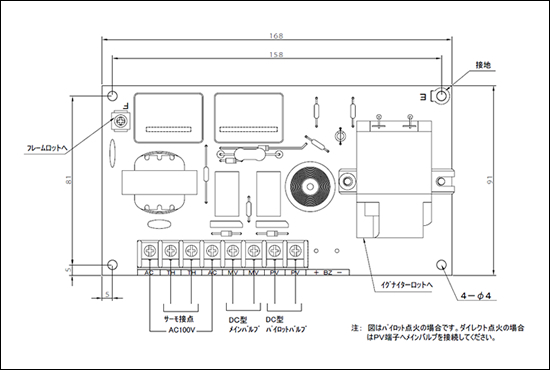
外形図
スペック
横にスクロールしてご覧いただけます。
| 項目 | 条件 | 値 |
|---|---|---|
| 電気特性 | 電源電圧 | AC100V 50/60Hz+10%、−15%以内 |
| 消費電力 | 4W以内 | |
| 電磁弁リレー接点出力 | 3A(AC100V:抵抗負荷) | |
| 対応電磁弁 | DC100V用またはAC100V用 | |
| 動作特性 | プリパージ時間 | 1.5秒±0.3秒 |
| 安全時間 | 12秒±3秒 | |
| 炎感知応答時間 | 1秒以内 | |
| 失火応答時間 | 1.5秒以内 | |
| フレーム感度 | 150MΩ以上 | |
| 炎感知電流 | 0.1〜0.2μA | |
| イグナイター出力電圧 | 15KV−PP以上 放電距離3.5mmまたはそれ以下 |
|
| 環境特性 | 周囲温度 | −20〜60℃ |
| 保存温度 | −20〜70℃ | |
| 周囲湿度 | 85%RH以下 | |
| 絶縁特性 | 絶縁抵抗 | 5MΩ以上 (DC500Vメガー 基板−アース間) |
| 耐電圧 | 1000V 1分 基板−アース間 |

